ต้องการออกแบบเครื่องจักรระบบนิวเมติกส์เพื่อยกชิ้นงานที่มาจากสายพานลำเลียงต่างระดับ จากระดับต่ำไปยังระดับที่สูงกว่า โดยให้กระบอกสูบที่ 1 เป็นกระบอกยกชิ้นงานจากระดับล่างขึ้นไปยังระดับบน และใช้กระบอกสูบที่ 2 เป็นตัวผลักกล่องไปยังสายพานลำเลียง จากนั้นให้กระบอกสูบ 1 และกระบอกสูบ 2 กลับตำแหน่งเดิม และหยุดการทำงาน ให้ใช้วาล์วแบบปุ่มกดในการเริ่มวงจร
กำหนดให้กระบอกสูบที่ 1 ออกเพื่อยกชิ้นงานจากระดับล่าง และกระบอกสูบ 2 ผลักชิ้นงานลงสายพานลำเลียง จากนั้นกระบอกสูบ 1 และกระบอกสูบ 2 จะกลับตำแน่งเดิม นำมาเขียนลำดับขั้นการทำงานและไดอะแกรมบังคับ
| ลำดับขั้นการทำงาน | 1 | 2 | 3 | 4 |
| ลำดับขั้นการทำงาน | 1+ | 2+ | 1- | 2- |
ตาราง 1 จังหวะการทำงานของกระบอกสูบ
วิธีการออกแบบวงจรควบคุมนิวแมติก สามารถแบ่งหลักการออกแบบได้ด้วยกัน 2 วิธีคือ
1. วิธีอาศัยความเข้าใจและประสบการณ์ที่ได้ออกแบบวงจรมานาน วิธีนี้จะใช้การลองผิดลองถูกวงจรที่ออกมาจะดีหรือประหยัดค่าใช้จ่ายหรือไม่ขึ้นอยู่กับประสบการณ์ผู้ออกแบบ ซึ่งไม่เหมาะกับผู้ที่เริ่มต้นศึกษาการออกแบบวงจรนิวแมนติกควบคุมใหม่ ๆ
2. วิธีการอาศัยหลักการและกฎเกณฑ์ต่างๆ ในการออกแบบ วงจรวิธีนี้เหมาะกับผู้ที่เริ่มต้นศึกษาการออกแบบวงจร เพราะมีวิธีการและขั้นตอนในการออกแบบที่ละเอียด
ผู้ที่จะออกแบบวงจรได้ควรจะมีความรู้เรื่องนิวแมติกเกี่ยวกับลักษณะโครงสร้าง และข้อมูลทางเทคนิคของอุปกรณ์ในระบบนิวแมติกพื่อเป็นพื้นฐานในการออกแบบขั้นต้น
การออกแบบวงจรควบคุมการทำงานกระบอกสูบหลายกระบอกสูบให้ทำงานสัมพันธ์กันอย่างต่อเนื่อง จะต้องอาศัยการเคลื่อนที่ของก้านสูบมาควบคุมการทำงานของวงจร โดยการนำเอาวงจรพื้นฐานที่ได้กล่าวไปแล้วมาประยุกต์รวมกันในการออกแบบวงจรควบคุม ขั้นตอนในการออกแบบวงจรควรกระทำ ดังนี้
1. จะต้องรู้ลักษณะของเครื่องจักรที่ออกแบบวงจรเสียก่อน เพื่อจะได้พิจารณาถึงลักษณะการออกแบบวงจรและตำแหน่งการติดตั้งวาล์วควบคุมในเครื่องจักรที่ต้องการออกแบบ โดยพิจารณาเงื่อนไขของงานที่ต้องการออกแบบ
2. จากลักษณะเครื่องจักรจะทำให้รู้ลักษณะและจำนวนของกระบอกสูบลมที่จะต้องใช้ เพื่อกำหนดจำนวนเมนวาล์ว
3. กำหนดและเขียนลำดับขั้นการทำงานของกระบอกสูบว่ามีลำดับขั้นเป็นอย่างไร เพื่อที่จะนำมาเขียนไดอะแกรมบังคับการเคลื่อนที่ของกระบอกสูบ
4. เลือกสัญญาณวาล์วควบคุมการบังคับให้เมนวาล์วเคลื่อนที่ไปบังคับให้กระบอกสูบทำงานตามลำดับขั้นตอนการทำงาน พร้อมกับกำหนดโค้ดตัวเลข (หรือตัวอักษร)
5. เขียนโครงร่างของวงจรบังคับให้กระบอกสูบทำงานตามความต้องการ และเขียนวางไว้ในตำแหน่งที่ถูกต้อง พร้อมทั้งกำหนดโค้ดตัวเลขลงไป วิธีการเขียนโครงร่างของวงจรเป็นดังนี้
- เขียนอุปกรณ์กำลังในแถวแรก
- เขียนเมนวาล์ว (4/2, 5/2) ตามจำนวนของอุปกรณ์กำลังในแถวที่สอง
- เขียนวาล์วป้อนสัญญาณ (3/2) ตามจำนวนที่ต้องการใช้ โดยดูเงื่อนไขจากลำดับขั้นการทำงานของอุปกรณ์กำลังว่ามีกี่จังหวะ (ดูจากข้อที่ 4) ลงในแถวที่สาม
- เขียนสัญลักษณ์ของอุปกรณ์จ่ายพลังงานลงในแถวที่สี่
- กำหนดโค้ดต่างๆ ลงไปบนอุปกรณ์
- เขียนท่อทางส่งลบ และต่อเส้นบังคับการทำงานของเมนวาล์ว
6. เขียนไดอะแกรมหน้าที่ ตรวจสอบการทำงานของวงจรเพื่อกำหนดกลไกในการบังคับวาล์วควบคุม และนำไปเขียนวงจรบังคับการทำงาน วงจรบันคับการทำงานถ้าจะเขียนให้สมบูรณ์ต้องพิจารณาถึงเงื่อนไขการสตาร์ดด้วย

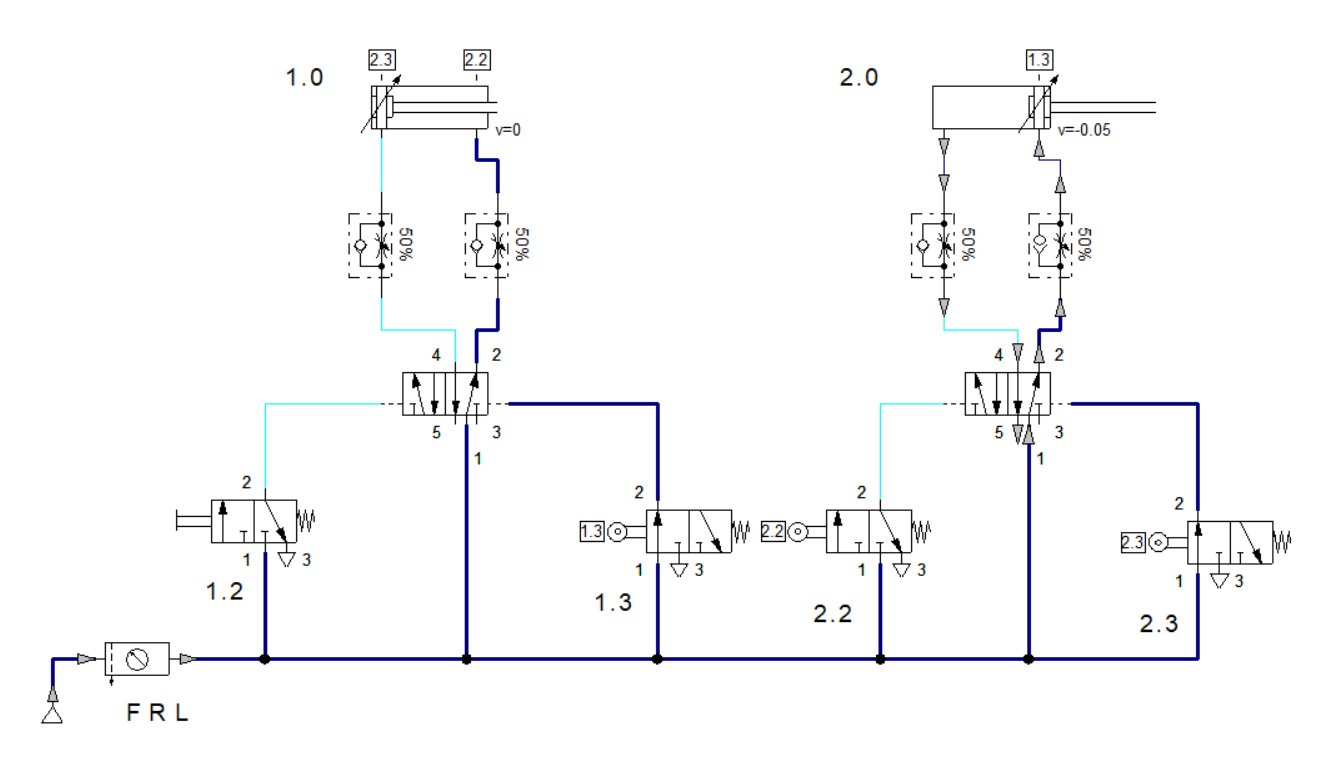
รูปวงจร ที่ 2
วงจรในรูปที่ 2 ยังมีข้อไม่ดีอยู่บ้าง คือในขณะที่กระบอกสูบ 2.0 กำลังกลับอยู่นั้น ถ้าไปกดวาล์ว 1.2 จะทำให้กระบอกสูบ 1.0 เคลื่อนที่ออกทันที ทำให้ผิดลำดับขั้นตอนการทำงาน ดังนั้น จึงต้องมีการอินเตอร์เน็ตล็อค (interlock) ลำดับขั้นการทำงานเอาไว้ โดยแทรกวาล์ว 1.4 ลงไปในวงจรให้วาล์ว 1.4 บังคับด้วยกลไกลูกกลิ้งและนำไปติดตั้งในตำแหน่งที่กระบอกสูบ 2.0 เคลื่อนที่กลับสุด
รูปวงจร ที่ 3