การเขียนวงจร นิวแมติก คือการนำเอาอุปกรณ์ต่างๆมาใช้งานได้อย่างถูกต้องก่อนนำไใช้งานจริงและแบบวงจรจำเป็นต้องใช้สัญลักษณ์มาตรฐานในการเขียนเป็นแบบเดียวกัน เพื่อความเข้าใจ
วิธีการสร้างวงจรใน ระบบนิวเมติกส์ ในงานอุตสาหกรรม
การจัดวางเรียงอุปกรณ์นิวแมติกในการเขียนวงจรตามข้อบังคับของวิศวกรรมสถานแห่งสหพันธ์สาธารณรัฐเยอรมันฉบับที่ 3226 เรื่อง วงจรระบบนิวแมติก ธันวาคม พ.ศ. 2509 ดังมี
การกำหนดโค้คลงบนอุปกรณ์ ที่นิยมกันในระบบนิวแมติกมีอยู่ 2 ระบบด้วยกันคือระบบใช้ตัวเลข และระบบใช้ตัวอักษร
1. ระบบตัวเลข เป็นระบบที่นิยมใช้กันในทางปฏิบัติ โดยใช้ตัวเลข 1.0, 1.1, 1.2, ..., 2.0, 2.1, 2.2,..., 3.0, 3.1, 3.2, ... ตัวเลขหน้าทศนิยมขึ้นอยู่กับว่าในวงจรนั้นมีลูกสูบหรืออุปกรณ์ทำงานกี่ตัว ส่วนตัวเลขที่อยู่หลังจุดทศนิยมมีความหมายดังนี้
.0 คืออุปกรณ์ทำงาน เช่น กระบอกสูบ มอเตอร์ลม
.1 คืออุปกรณ์บังคับการทำงานของกระบอกสูบหรือมอเตอร์ลม เช่น เมนวาล์ว
.2, .4 เป็นเลขคู่ คืออุปกรณ์ที่มีอิทธิพลบังคับให้กระบอกสูบเคลื่อนที่ออก
.3, .5 เป็นเลขคี่ คืออุปกรณ์ที่มีอิทธิพลบังคับให้กระบอกสูบเคลื่อนที่เข้า
.01, .02 คืออุปกรณ์ที่อยู่ระหว่างอุปกรณ์ทำงานกับอุปกรณ์บังคับการทำงาน เช่นวาล์วควบคุมปริมาณการไหลของลม บังคับให้กระบอกสูบเคลื่อนออกช้าหรือเร็ว

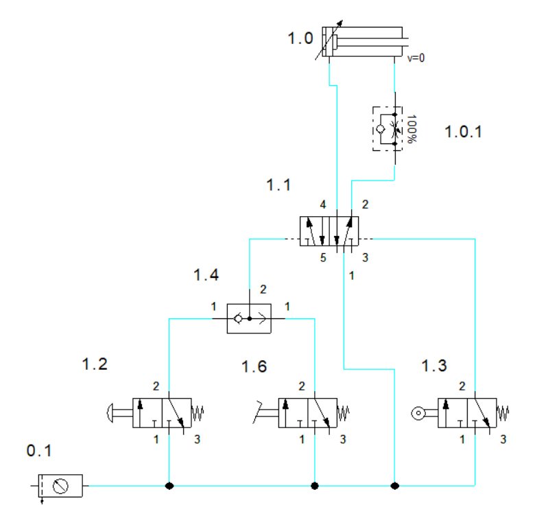
รูป 1.1 ตัวอย่างรูปวงจร
2. ระบบตัวอักษร การออกแบบวงจรต้องอาศัยหลักการต่างๆ เช่น หลักการของตรรก โดยทั่วไปจะกำหนดให้อุปกรณ์ทำงานใช้ตัวอักษรภาษาอังกฤษตัวพิมพ์ใหญ่ ส่วนอุปกรณ์ป้อนสัญญาณจะใช้อักษรภาษาอังกฤษตัวพิมพ์เล็ก ความหมายของตัวอักษรจะเป็นดังนี้
A, B, C, …… คืออุปกรณ์ทำงาน เช่นกระบอกสูบ มอเตอร์ลม
a0, b0, c0, …… คืออุปกรณ์ที่ทำหน้าที่จำกัดระยะ ซึ่งจะอยู่ในตำแหน่งถูกกดเมื่อก้านสูบเลื่อนกลับสุด
a1, b1, c1,…… คืออุปกรณ์ที่ทำหน้าที่กำจัดระยะ ซึ่งจะอยู่ในตำแหน่งถูกกดเมื่อก้านสูบเลื่อนออกสุด
หลักการโดยทั่ว ๆ ไปของระบบตัวอักษรนี้คล้ายกับการออกแบบวงจรทางไฟฟ้า

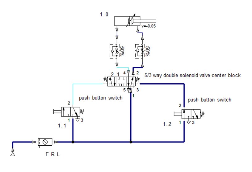
รูป 1.2 ตัวอย่างรูปวงจร
ความหมายของตัวย่อ
D.A. cyl คือกระบอกสูบชนิดทำงานสองทาง
S.A. cyl คือกระบอกสูบชนิดทำงานทางเดียว
D.C.V.N.C คือวาล์วควบคุมทิศทาง ตำแหน่งปกติปิด
D.C.V.N.O คือวาล์วควบคุมทิศทาง ตำแหน่งปกติเปิด
H.a. คือปุ่มกด
M.a. คือใช้กลไกกด
M.a.Ro คือใช้กลไกลูกกลิ้งกด
M.a.Rot คือกลไกลูกกลิ้งทำงานทางเดียวกด
P.a. คือใช้ความดันของลมอัดกด
P.a.-1 คือใช้ความดันลมอัดกดทางเดียว
P.a. -2 คือใช้ความดันลมอัดกดทั้งสองข้าง
E.a. คือใช้ไฟฟ้าสั่งให้เลื่อนวาล์ว

รูป 1.3 ตัวอย่างรูปวงจร

