
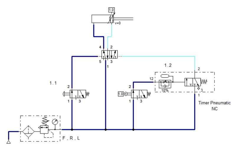
รูปที่ 1 วงจรTimer Pneumatic
แต่ยังไม่มีผลบังคับให้กระบอกลมกลับทันที ทั้งนี้สัญญาณลมที่ผ่านวาล์ว 1.0 จะต้องไปผ่านวาล์วหน่วงเวลา 1.2 ซึ่งต่ออนุกรมอยู่ และเป็นเวลาที่เรากำหนดไว้ (สังเกตุรุ่นและยี้ห้อนั้นๆ ว่าสามารถตั้งเวลาได้ระยะเวลาเท่าไร) จึงจะมีสัญญาณ ผ่านวาล์วหน่วงเวลาออกไปบังคับให้กระบอกลมเคลื่อนที่กลับ จบการทำงาน

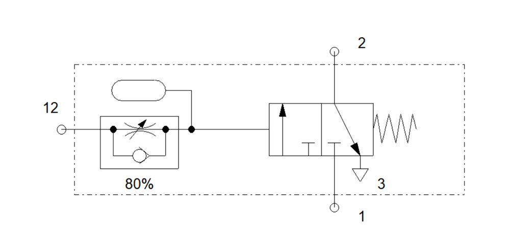
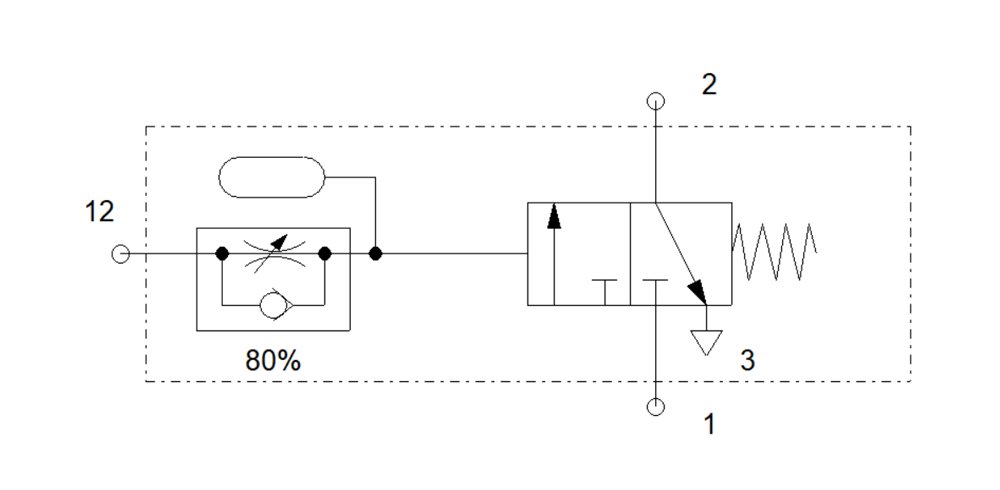
รูปที่ 2 สัญลักษณ์ Timer Pneumatic