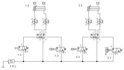
การออกแบบและควบคุม นิวแมติกส์และวาล์ว

The proportional angle seat valve(piston valve) positioner with 4-20mA input generally features precise flow regulation, robust design,

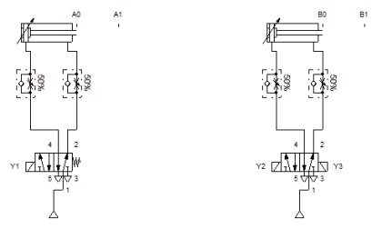
เปลี่ยนมาใช้ มอเตอร์ วาล์วแทน โซลินอย ด์วาล์วโดยใช้ Relay MY4

A motorized 380VAC cast iron butterfly valve is an industrial flow control device that uses a three-phase, 380-volt AC electric motor to operate a cast iron butterfly valve. These valves are widely used in industrial applications for both on/off and modulating control of liquids, gases, and slurries in pipelines

การทำงานแบบต่อเนื่อง โดยมีลำดับการทำงานคือ A+ B+ A- B- เหมาะสำหรับการนำไปประยุกต์ใช้งานในระบบต่างๆ

ต้องการใช้งานบอลวาล์วขนาด 3" ควรเลือกหัวขับไฟฟ้า Neumax Actuator ขนาดเท่าไร จึงจะเหมาะสมในการใช้งาน ball valve flanged with electric actuator

อุปกรณ์เสริมหัวขับลม ปรับองศาการเปิด ปิดของวาล์วได้ Terminal การต่อใช้งานเบื้องต้น input 4-20mA แบบมี feedback output 4-20mA

FXEX-02 torque 24Nm เป็นมอเตอร์ขับวาล์วที่มีขนาดเล็กมอเตอร์ประสิทธิภาพสูง มาตรฐานการกันน้ำ ip65

KL05A แรงบิด torque 50Nm ประกอบบอลวาล์ว 3 ชิ้น บอดี้สแตนเลส 316 รับสัญญาณ 4-20mA (Manual wiring diagram KL05A Analog signal 4-20mA)

Mounting Bracket Actuator สำหรับการประกอบหัวขับลม หรือหัวขับไฟฟ้ามีความสำคัญเป็นอย่างมากลายละเอียดเป็นอย่างไรมาดูกันครับ

เว็บไซต์นี้มีการใช้งานคุกกี้ เพื่อเพิ่มประสิทธิภาพและประสบการณ์ที่ดีในการใช้งานเว็บไซต์ของท่าน ท่านสามารถอ่านรายละเอียดเพิ่มเติมได้ที่ นโยบายความเป็นส่วนตัว  และ  นโยบายคุกกี้